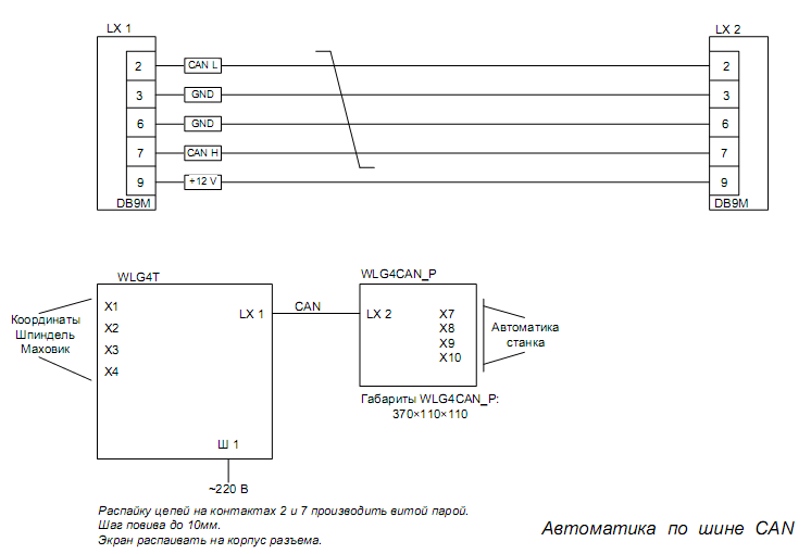
Распайка разъема CAN (удаленной) - автоматики
Разъем на кабеле DB9 Папа
Разъем на ЧПУ DB9 Мама
| Контакт | Назначение |
|---|---|
| 2 | CAN L |
| 3 | GND |
| 7 | CAN H |
| 9 | +12V |
Скачать Распайка CAN
Разъем на кабеле DB9 Папа
Разъем на ЧПУ DB9 Мама
| Контакт | Назначение |
|---|---|
| 2 | CAN L |
| 3 | GND |
| 7 | CAN H |
| 9 | +12V |